全国咨询热线

13584864789

数控转台

产品推荐/Products

新闻资讯/news

热门关键词/keyword

联系我们/Contact

昆山鹏阳自动化科技有限公司
电话:13584864789
邮箱:15995874678@139.com
地址:江苏省苏州市昆山市花桥镇逢星路608号二期2号厂房C栋
古田NC320四轴转台

古田NC320四轴转台

古田320四轴转台
古田四轴转台
古田四轴转台维修
四轴转台维修
发布日期:2025-07-17

产品说明

古田NC320四轴转台详细说明

 

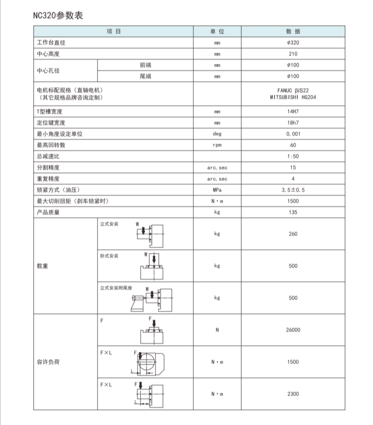
品名:古田320四轴转台

 

类型:全新

 

属性:古田四轴转台、凸轮滚子转台

 

价格:面议/电议

 

型号:NC320

 

盘面直径:320mm

 

中心高度:210mm

 

 

公司简介
 

本司提供不同品牌的二手四轴转台、二手五轴转台及全新不同品牌的国产及进口四轴转台、五轴转台等不同型号的数控转台的销售、维修、安装、调试、保养等服务。品牌包括有:谭佳、潭兴、德川、旭阳、日研、北川、津田驹、古田、上银、宝嘉诚、日本山广、日本雪和、及其他品牌等,同时还有匹配的圆盘尾座、顶尖尾座、自动尾座、手动尾座及其他数控配件等产品。

 

 

产品特点
 

1、产品内部采用凸轮滚子传动结构。


2、凸轮与滚针轴承预压无间隙滚动传动。


3、无滑动摩擦,持续保持无间隙特征。


4、正逆向运动重复精度高。


5、高刚性、高效率。


6、不因温升导致精度不良。


7、无需定期校准和调整。

 

 

备注说明

 

关于古田NC320四轴转台-凸轮滚子数控转台所述请以产品实际为准,了解更多关于古田320四轴转台或其他型号古田四轴转台详情,欢迎联系我们。

 

 

相关产品

 

古田NC250四轴转台

 

古田NC400四轴转台

 

古田古田500四轴转台

 

 

产品参数图

 

古田320四轴转台

 

 

产品平面图

 

古田320四轴转台

 

产品图片

 

古田320四轴转台

本文网址:http://www.xyzt88.com/details_162.html