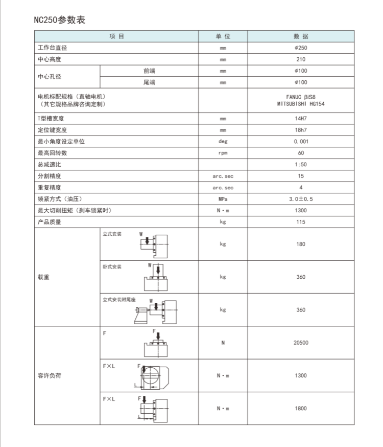
古田NC250四轴转台
古田四轴转台
古田四轴转台维修
四轴转台维修

古田NC250四轴转台详细说明
品名:古田250四轴转台
品牌:古田
型号:NC250
系列:NC系列
类型:全新
属性:古田四轴转台、凸轮滚子转台
价格:面议/电议
盘面直径:250mm
中心高度:210mm
古田凸轮数控转台,输出轴使用大轴承设置于轴的圆外壁、凸轮输入轴两端采用双轴承设置,更加增强了转台的稳定性和负载能力,能更好的应对加工时的高速度和种切削力,提高加工工件精度、效率和降低成本。
关于古田NC250四轴转台-凸轮滚子数控转台所述请以产品实际为准,更多关于古田250四轴转台详情,欢迎联系我们。
古田NC630四轴转台
古田NC500四轴转台
产品参数图

产品平面图

产品图片
