古田NC170四轴转台
古田四轴转台
古田四轴转台维修
四轴转台维修

古田NC170四轴转台详细说明
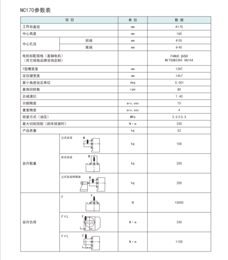
品名:古田170四轴转台
品牌:古田
型号:NC170
属性:古田四轴转台、凸轮滚子数控转台
类型:全新
价格:面议/电议
盘面直径:170mm
中心高度:160mm
T型槽宽度:12H7mm
古田凸轮式数控转台产品内部采用凸轮滚子传动结构,凸轮与滚针轴承预压无间隙滚动传动,无滑动摩擦,持续保持无间隙特性,正逆向运动重复精度高,无需定期校准和调整,且具有高刚性、重负载、高效率的特性,产品不会因温升导致精度不良。
本司提供不同品牌的二手四轴转台、二手五轴转台及全新不同品牌的国产及进口四轴转台、五轴转台等不同型号的数控转台的销售、维修、安装、调试、保养等服务。品牌包括有:谭佳、潭兴、德川、旭阳、日研、北川、津田驹、古田、上银、宝嘉诚、日本山广、日本雪和、及其他品牌等,同时还有匹配的圆盘尾座、顶尖尾座、自动尾座、手动尾座及其他数控配件等产品。
关于古田NC170四轴转台-凸轮滚子数控转台所述请以产品实际为准,更多关于古田170四轴转台和其他型号古田四轴转台详情,欢迎联系我们,本司所供应的古田四轴转台有二手古田四轴转台和全新古田四轴转台之分,价格实惠,欢迎订购。如需古田四轴转台维修或其他品牌四轴转台维修,请联系我们。
古田NC17L四轴转台
古田NC200四轴转台
古田NC250四轴转台
产品参数图

产品平面图

产品图片
