全国咨询热线

13584864789

数控转台

产品推荐/Products

新闻资讯/news

热门关键词/keyword

联系我们/Contact

昆山鹏阳自动化科技有限公司
电话:13584864789
邮箱:15995874678@139.com
地址:江苏省苏州市昆山市花桥镇逢星路608号二期2号厂房C栋
古田AC200五轴转台

古田AC200五轴转台

古田200五轴转台
古田五轴转台
古田五轴转台维修
发布日期:2025-07-23

产品说明

古田AC200五轴转台详细说明

 

品名:古田200五轴转台

 

属性:古田五轴转台、凸轮滚子转台

 

类型:全新

 

系列:AC系列

 

型号:AC200

 

价格:面议/电议

 

盘面直径:200mm

 

中心高度:260mm

 

 

 

相关产品

 

古田AC170五轴转台

 

古田AC700S五轴转台

 

古田AC800S五轴转台

 

 

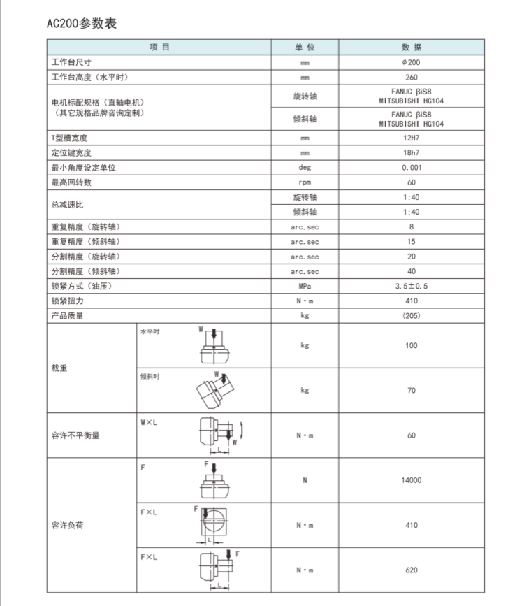
产品参数图

 

古田200五轴转台

 

 

 

产品平面图

 

古田200五轴转台

 

 

产品图片

 

古田200五轴转台

本文网址:http://www.xyzt88.com/details_168.html