全国咨询热线

13584864789

数控转台

产品推荐/Products

新闻资讯/news

热门关键词/keyword

联系我们/Contact

昆山鹏阳自动化科技有限公司
电话:13584864789
邮箱:15995874678@139.com
地址:江苏省苏州市昆山市花桥镇逢星路608号二期2号厂房C栋
一诺170五轴转台

一诺170五轴转台

一诺170五轴转台

一诺五轴转台

五轴转台维修

一诺五轴转台维修
发布日期:2025-03-10

产品说明

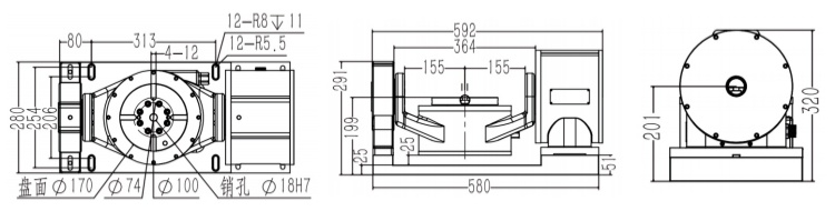
品名:一诺170五轴转台

 

品牌:一诺


型号:TJ170-AC-199-310


年份:全新机


盘面直径:170mm


通孔径:50mm


载重:A轴80KG  C轴30KG

 

 

产品图片

 

一诺170五轴转台

一诺170五轴转台

一诺170五轴转台

一诺170五轴转台

一诺170五轴转台

 

 

相关产品

 

世承170四轴转台

 

上银170四轴转台

 

二手津田驹255五轴转台(摇篮式)

本文网址:http://www.xyzt88.com/details_140.html